Chức vụ: Trang Chủ > Sản phẩm > NEWGEAR > Bộ truyền động quay rỗng > Bộ truyền động quay rỗng độ chính xác cao, bệ quay rỗng, bộ định vị quay PTN060

Bộ truyền động quay rỗng độ chính xác cao, bệ quay rỗng, bộ định vị quay PTN060

Productfeatures:

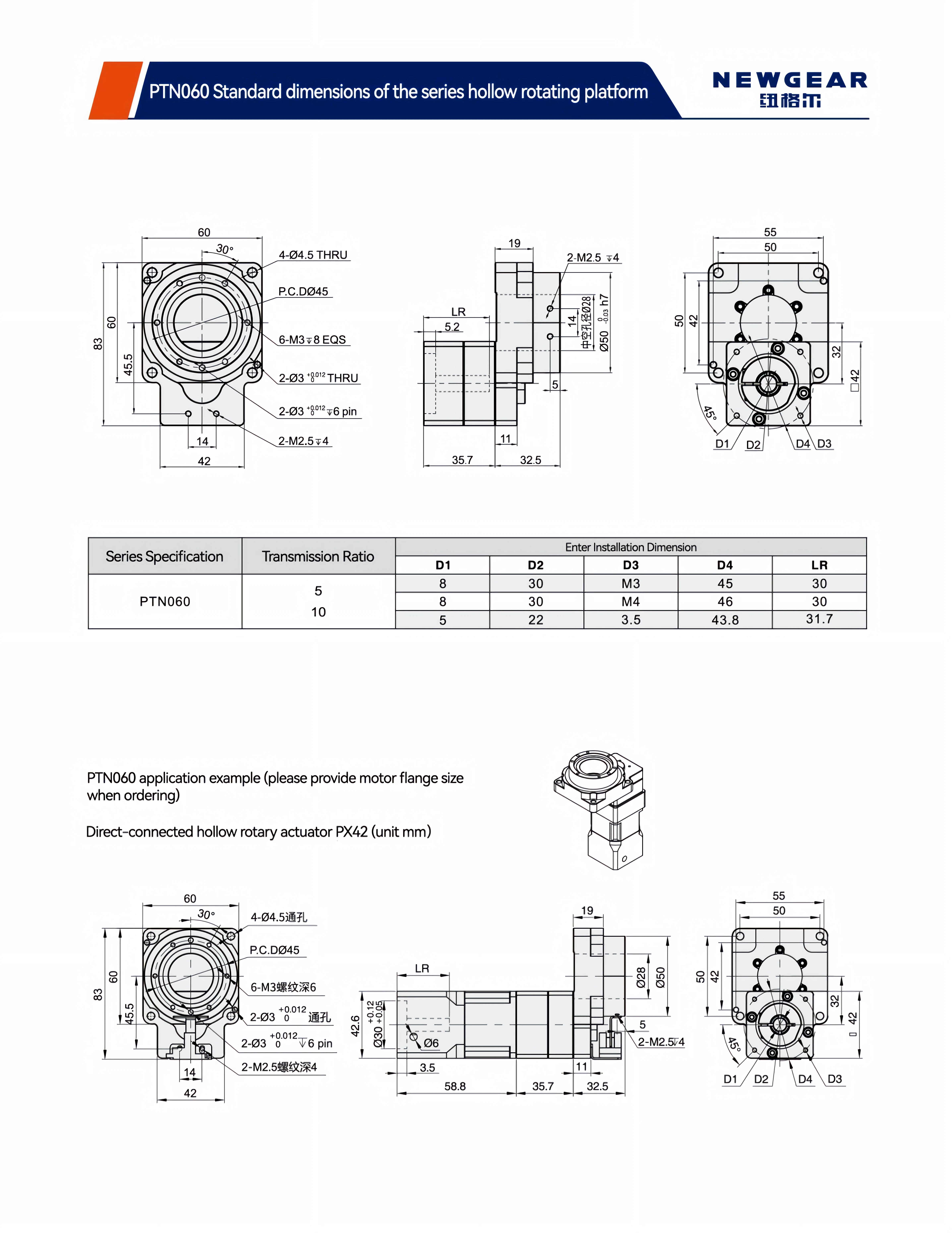
PTN060 là một mẫu sản phẩm tiết kiệm chi phí trong dòng Bàn xoay rỗng của chúng tôi, được thiết kế cho các ứng dụng tự động hóa mô-men xoắn trung bình đến thấp. Sản phẩm tương thích với động cơ bước NEMA 17 và động cơ servo AC 50W/100W, cung cấp tỷ số truyền 5:1 hoặc 10:1. Độ rơ ≤1 arc-min và độ lặp lại ±15 arc-sec, đảm bảo định vị và chia độ chính xác. Kế thừa những ưu điểm cốt lõi của nền tảng, sản phẩm bao gồm thiết kế xuyên lỗ và ổ bi con lăn chéo độ cứng cao giúp dễ dàng đi dây và hoạt động mạnh mẽ. Với xếp hạng bảo vệ IP40 tiêu chuẩn, sản phẩm phù hợp với các môi trường công nghiệp thông thường. Hơn nữa, nó có thể được kết hợp liền mạch với hộp số hành tinh PX42 của chúng tôi để mở rộng phạm vi tốc độ và mô-men xoắn, cung cấp giải pháp quay nhỏ gọn và hiệu quả cho thiết bị của bạn.


Bộ truyền động quay rỗng độ chính xác cao, bệ quay rỗng, bộ định vị quay PTN060
Bộ truyền động quay rỗng độ chính xác cao, bệ quay rỗng, bộ định vị quay PTN060
Bộ truyền động quay rỗng độ chính xác cao, bệ quay rỗng, bộ định vị quay PTN060
Bộ truyền động quay rỗng độ chính xác cao, bệ quay rỗng, bộ định vị quay PTN060
Bộ truyền động quay rỗng độ chính xác cao, bệ quay rỗng, bộ định vị quay PTN060
Bộ truyền động quay rỗng độ chính xác cao, bệ quay rỗng, bộ định vị quay PTN060
Bộ truyền động quay rỗng độ chính xác cao, bệ quay rỗng, bộ định vị quay PTN060
Bộ truyền động quay rỗng độ chính xác cao, bệ quay rỗng, bộ định vị quay PTN060
Bộ truyền động quay rỗng độ chính xác cao, bệ quay rỗng, bộ định vị quay PTN060
Bộ truyền động quay rỗng độ chính xác cao, bệ quay rỗng, bộ định vị quay PTN060
Bộ truyền động quay rỗng độ chính xác cao, bệ quay rỗng, bộ định vị quay PTN060
Bộ truyền động quay rỗng độ chính xác cao, bệ quay rỗng, bộ định vị quay PTN060
Bộ truyền động quay rỗng độ chính xác cao, bệ quay rỗng, bộ định vị quay PTN060
Sở thích hoặc nhu cầu tùy chỉnh của bạn là gì?
Hãy liên hệ với đội ngũ của chúng tôi
Nhận tư vấn cá nhân chỉ trong vài phút.
Yêu cầu báo giá