Gửi yêu cầu ngay
Tính năng sản phẩm:
Vật liệu có độ bền cao: Các puli đồng bộ truyền động chịu tải nặng thường được làm bằng vật liệu có độ bền cao, chống mài mòn như thép hợp kim và hợp kim nhôm để đảm bảo độ ổn định và độ bền dưới tải trọng cao và tốc độ cao.
Sản xuất chính xác: Quy trình sản xuất tuân thủ nghiêm ngặt các tiêu chuẩn có độ chính xác cao, đảm bảo các thông số chính như hình dạng răng và bước răng của puli là chính xác, do đó cải thiện độ chính xác và độ ổn định của quá trình truyền động.
Thiết kế đa dạng: Để đáp ứng nhu cầu của nhiều ứng dụng công nghiệp khác nhau, puli đồng bộ truyền động công suất lớn cung cấp nhiều tùy chọn thiết kế, bao gồm nhiều kiểu răng, bước răng, đường kính puli và chiều rộng khác nhau.
Truyền động hiệu quả: Puly đồng bộ sử dụng phương pháp truyền động răng cưa, cho phép truyền lực hiệu quả và ổn định khi sử dụng với dây đai thời gian. Hiệu suất cơ học của chúng thường cao, đạt 0,98 hoặc cao hơn.
Tỷ số truyền chính xác: Do mối quan hệ răng cưa giữa dây đai thời gian và puli, puli đồng bộ truyền động công suất lớn có thể cung cấp tỷ số truyền chính xác, điều này rất quan trọng đối với các ứng dụng yêu cầu kiểm soát tốc độ và mô-men xoắn chính xác.
Truyền động chống trượt: Hệ thống truyền động đai đồng bộ có đặc tính chống trượt, nghĩa là không sinh thêm nhiệt và mài mòn trong quá trình truyền động, do đó kéo dài tuổi thọ của hệ thống truyền động.
Puly định thời hình thang gia cường dòng AT: Một bước tiến vượt bậc của công nghệ dòng T, với hình dạng răng gia cường và cải tiến vật liệu, mang lại độ tin cậy đã được chứng minh trong điều kiện vận hành khắc nghiệt. Được thiết kế đặc biệt cho truyền động công suất lớn và các ứng dụng công nghiệp mô-men xoắn cao.
Ròng rọc thời gian AT5/AT10
| Kiểu | Vật liệu | Xử lý bề mặt | |||||
| AT5 | AT10 | Ròng rọc | Mặt bích | ||||
| Chiều rộng dây đai: 10mm | Chiều rộng dây đai: 15mm | Chiều rộng dây đai: 15mm | Chiều rộng dây đai: 20mm | Chiều rộng dây đai: 25mm | |||
| A:11.6 W:16.5 L:25(27/29) | A:16.6 W: 21.5 L: 30(32/34) | A:16.5 W:22.5 L:38(40) | A:21.5 W:27.5 L:43(45) | A:26.5 W:32.5 L:48(50) | |||
| AW**AT5100 | AW**AT5150 | AW**AT10150 | AW**AT10200 | AW**AT10250 | 6061 | 6061 | Anodizing tự nhiên | 
| AB**AT5100 | AB**AT5150 | AB**AT10150 | AB**AT10200 | AB**AT10250 | Anodizing đen | ||
| AH**AT5100 | AH**AT5150 | AH**AT10150 | AH**AT10200 | AH**AT10250 | Anodizing cứng | ||
| AN**AT5100 | AN**AT5150 | AN**AT10150 | AN**AT10200 | AN**AT10250 | Mạ niken | ||
| SF**AT5100 | SF**AT5150 | SF**AT10150 | SF**AT10200 | SF**AT10250 | S45C | SPCC | Lớp phủ oxit đen | 
| SN**AT5100 | SN**AT5150 | SN**AT10150 | SN**AT10200 | SN**AT10250 | Mạ niken | ||
Ròng rọc thời gian AT5/AT10


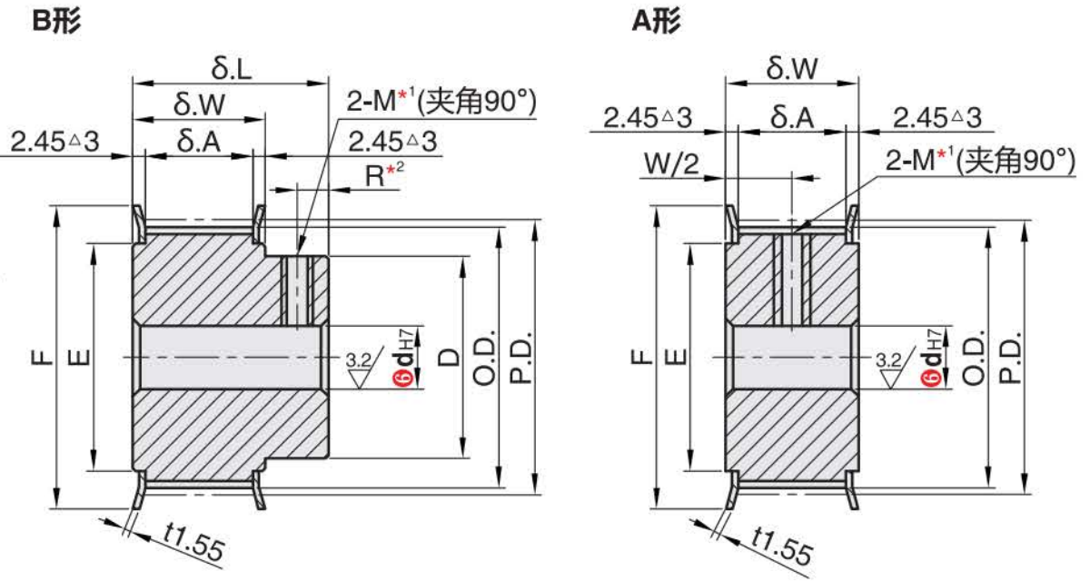
④ Hồ sơ ròng rọc


Kích thước rãnh răng thay đổi đôi chút tùy thuộc vào số lượng răng. Bước răng AT5 (5mm); Bước răng AT10 (10mm);
Con số sau hình tam giác trong hình biểu thị loại AT10.
Đối với các thông số lỗ trục H (lỗ tròn), V, F (lỗ bậc thang) và Y (lỗ bậc thang ở cả hai đầu), không có lỗ ren.
Mặt trong của lỗ trục có thể không được xử lý bề mặt.
AT5: R=4 (số răng 15-16); R=5 (số răng 18-28);
R=6 (số răng 30-60);
AT10: R=8 (số răng 14-48)
* Đối với puli loại A và lỗ trục P hoặc N, hai lỗ ren nằm cách tâm rãnh răng khoảng 120° hoặc 90°.