Gửi yêu cầu ngay
Productfeatures:
Khả năng chịu mô-men xoắn cao – Thiết kế răng tối ưu giúp tăng diện tích tiếp xúc và lực ăn khớp, cho phép ròng rọc chịu được mô-men xoắn cao hơn mà không bị biến dạng. Độ bền vật liệu và độ cứng răng được nâng cao giúp sản phẩm phù hợp với các hệ thống truyền động tải nặng, khởi động/dừng thường xuyên và môi trường có tác động mạnh.
Cấu trúc răng được tối ưu hóa – Các đặc điểm như chuyển tiếp góc bo tròn ở chân răng giúp giảm sự tập trung ứng suất, cải thiện tuổi thọ mỏi. Răng xoắn ốc hoặc được thiết kế đặc biệt giúp giảm thiểu tiếng ồn và tăng cường độ trơn tru khi ăn khớp.
Puli định thời răng cong HTD – Có các bước răng 2mm, 3mm, 5mm và 8mm, các puli này mang lại hiệu suất mô-men xoắn cao cho các hệ thống truyền động tải nặng tốc độ trung bình thấp.
Dòng sản phẩm SM Serrated Curve – Tương thích với mô-men xoắn cao và tốc độ cao.
Dòng răng cong PM – Khả năng thích ứng góc cua vượt trội và hoạt động cực kỳ êm ái, lý tưởng cho việc vận chuyển chính xác tốc độ cao.
Puli định thời S2M
| Kiểu | Vật liệu | Xử lý bề mặt | |||
| Chiều rộng đai: 4mm | Chiều rộng đai: 6mm | Chiều rộng đai: 10mm | Ròng rọc | Mặt bích | |
| A: 5 W: 9 L: 17 | A: 7 W: 11 L: 19 | A:11 W: 15 L: 23 | |||
| AW**S2M040 | AW**S2M060 | AW**S2M100 | 6061 | 6061 | Anốt hóa tự nhiên |
| AB**S2M040 | AB**S2M060 | AB**S2M100 | Anốt hóa đen | ||
| AH**S2M040 | AH**S2M060 | AH**S2M100 | Anốt hóa cứng | ||
| AN**S2M040 | AN**S2M060 | AN**S2M100 | Mạ Niken | ||
| SF**S2M040 | SF**S2M060 | SF**S2M100 | S45C | SPCC | Lớp phủ oxit đen |
| SN**S2M040 | SN**S2M060 | SN**S2M100 | Mạ Niken | ||
| SU**S2M040 | SU**S2M060 | SU**S2M100 | SUS303 | - | |
Puli định thời S3M
| Kiểu | Vật liệu | Xử lý bề mặt | |||
| Chiều rộng đai: 6mm | Chiều rộng đai: 10mm | Chiều rộng đai: 15mm | Ròng rọc | Mặt bích | |
| A: 7 W: 11 L: 19 | A: 11 W: 15 L: 23 | A:17 W: 21 L: 29 | |||
| AW**S3M060 | AW**S3M100 | AW**S3M150 | 6061 | 6061 | Anốt hóa tự nhiên |
| AB**S3M060 | AB**S3M100 | AB**S3M150 | Anốt hóa đen | ||
| AH**S3M060 | AH**S3M100 | AH**S3M150 | Anốt hóa cứng | ||
| AN**S3M060 | AN**S3M100 | AN**S3M150 | Mạ Niken | ||
| SF**S3M060 | SF**S3M100 | SF**S3M150 | S45C | SPCC | Lớp phủ oxit đen |
| SN**S3M060 | SN**S3M100 | SN**S3M150 | Mạ Niken | ||
| SU**S3M060 | SU**S3M100 | SU**S3M150 | SUS303 | - | |
Puli định thời S5M
| Kiểu | Vật liệu | Xử lý bề mặt | |||
| Chiều rộng đai: 10mm | Chiều rộng đai: 15mm | Chiều rộng đai: 25mm | Ròng rọc | Mặt bích | |
| A: 11 W: 16 L: 28 | A: 17 W: 22 L: 34 | A:27 W: 32 L: 44 | |||
| AW**S5M100 | AW**S5M150 | AW**S5M250 | 6061 | 6061 | Anốt hóa tự nhiên |
| AB**S5M100 | AB**S5M150 | AB**S5M250 | Anốt hóa đen | ||
| AH**S5M100 | AH**S5M150 | AH**S5M250 | Anốt hóa cứng | ||
| AN**S5M100 | AN**S5M150 | AN**S5M250 | Mạ Niken | ||
| SF**S5M100 | SF**S5M150 | SF**S5M250 | S45C | SPCC | Lớp phủ oxit đen |
| SN**S5M100 | SN**S5M150 | SN**S5M250 | Mạ Niken | ||
| SU**S5M100 | SU**S5M150 | - | SUS303 | - | |
Puli định thời S8M
| Kiểu | Vật liệu | Xử lý bề mặt | ||||
| Chiều rộng đai: 15mm | Chiều rộng đai: 25mm | Chiều rộng đai: 30mm | Chiều rộng đai: 40mm | Ròng rọc | Mặt bích | |
| A: 17 W: 22 L: 37(42) | A: 28 W: 33 L: 48(53) | A:33 W: 38 L: 53(58) | A: 44 W: 49 L: 64(69) | |||
| AW**S8M150 | AW**S8M250 | AW**S8M300 | AW**S8M400 | 6061 | 6061 | Anốt hóa tự nhiên |
| AB**S8M150 | AB**S8M250 | AB**S8M300 | AB**S8M400 | Anốt hóa đen | ||
| AH**S8M150 | AH**S8M250 | AH**S8M300 | AH**S8M400 | Anốt hóa cứng | ||
| AN**S8M150 | AN**S8M250 | AN**S8M300 | AN**S8M400 | Mạ Niken | ||
| SF**S8M150 | SF**S8M250 | SF**S8M300 | SF**S8M400 | S45C | SPCC | Lớp phủ oxit đen |
| SN**S8M150 | SN**S8M250 | SN**S8M300 | SN**S8M400 | Mạ Niken | ||
Puli định thời HTD3M
| Kiểu | Vật liệu | Xử lý bề mặt | |||
| Chiều rộng đai: 6mm | Chiều rộng đai: 10mm | Chiều rộng đai: 15mm | Ròng rọc | Mặt bích | |
| A: 7 W: 11 L: 19 | A:11 W: 15 L: 23 | A:17 W: 21 L: 29 | |||
| AW--3M060 | AW--3M100 | AW--3M150 | 6061 | 6061 | Anốt hóa tự nhiên |
| AB--3M060 | AB--3M100 | AB--3M150 | Anốt hóa đen | ||
| AH--3M060 | AH--3M100 | AH--3M150 | Anốt hóa cứng | ||
| AN--3M060 | AN--3M100 | AN--3M150 | Mạ Niken | ||
| SF--3M060 | SF--3M100 | SF--3M150 | S45C | SPCC | Lớp phủ oxit đen |
| SN--3M060 | SN--3M100 | SN--3M150 | Mạ Niken | ||
| SU--3M060 | SU--3M100 | SU--3M150 | SUS303 | - | |
Puli định thời HTD5M
| Kiểu | Vật liệu | Xử lý bề mặt | |||
| Chiều rộng đai: 10mm | Chiều rộng đai: 15mm | Chiều rộng đai: 25mm | Ròng rọc | Mặt bích | |
| A: 11 W: 16 L: 28 | A: 17 W: 22 L: 34 | A:27 W: 32 L: 44 | |||
| AW--5M100 | AW--5M150 | AW--5M250 | 6061 | 6061 | Anốt hóa tự nhiên |
| AB--5M100 | AB--5M150 | AB--5M250 | Anốt hóa đen | ||
| AH--5M100 | AH--5M150 | AH--5M250 | Anốt hóa cứng | ||
| AN--5M100 | AN--5M150 | AN--5M250 | Mạ Niken | ||
| SF--5M100 | SF--5M150 | SF--5M250 | S45C | SPCC | Lớp phủ oxit đen |
| SN--5M100 | SN--5M150 | SN--5M250 | Mạ Niken | ||
| SU--5M100 | SU--5M150 | - | SUS303 | - | |
Puli định thời HTD8M
| Kiểu | Vật liệu | Xử lý bề mặt | ||||
| Chiều rộng đai: 15mm | Chiều rộng đai: 25mm | Chiều rộng đai: 30mm | Chiều rộng đai: 40mm | Ròng rọc | Mặt bích | |
| A: 17 W: 22 L: 37(42) | A: 28 W: 33 L: 48(53) | A:33 W: 38 L: 53(58) | A: 44 W: 49 L: 64(69) | |||
| AW--8M150 | AW--8M250 | AW--8M300 | AW--8M400 | 6061 | 6061 | Anốt hóa tự nhiên |
| AB--8M150 | AB--8M250 | AB--8M300 | AB--8M400 | Anốt hóa đen | ||
| AH--8M150 | AH--8M250 | AH--8M300 | AH--8M400 | Anốt hóa cứng | ||
| AN--8M150 | AN--8M250 | AN--8M300 | AN--8M400 | Mạ Niken | ||
| SF--8M150 | SF--8M250 | SF--8M300 | SF--8M400 | S45C | SPCC | Lớp phủ oxit đen |
| SN--8M150 | SN--8M250 | SN--8M300 | SN--8M400 | Mạ Niken | ||
Puli định thời P2M
| Kiểu | Vật liệu | Xử lý bề mặt | |
| Chiều rộng đai: 6mm | Ròng rọc | Mặt bích | |
| A: 7.5 W: 11.5 L: 20 | |||
| AW**P2M060 | 6061 | 6061 | Anốt hóa tự nhiên |
| SF**P2M060 | Tương đương với S45C | SPCC | Lớp phủ oxit đen |
| SN**P2M060 | Mạ Niken | ||
Puli định thời P3M
| Kiểu | Vật liệu | Xử lý bề mặt | ||
| Chiều rộng đai: 10mm | Chiều rộng đai: 15mm | Ròng rọc | Mặt bích | |
| A: 12 W: 16 L: 23 (Khi số răng ít hơn 20, A=11) | A: 17 W: 21 L: 29 | |||
| AW**P3M100 | AW**P3M150 | 6061 | 6061 | Anốt hóa tự nhiên |
| SF**P3M100 | SF**P3M150 | Tương đương với S45C | SPCC | Lớp phủ oxit đen |
| SN**P3M100 | SN**P3M150 | Mạ Niken | ||
Puli định thời P5M
| Kiểu | Vật liệu | Xử lý bề mặt | ||
| Chiều rộng đai: 10mm | Chiều rộng đai: 15mm | Ròng rọc | Mặt bích | |
| A: 11.6 W: 16 L: 28 | A: 16.6 W: 21 L: 33 | |||
| AW**P5M100 | AW**P5M150 | 6061 | 6061 | Anốt hóa tự nhiên |
| AB**P5M100 | AB**P5M150 | Anốt hóa đen | ||
| AH**P5M100 | AH**P5M150 | Anốt hóa cứng | ||
| AN**P5M100 | AN**P5M150 | Mạ Niken | ||
| SF**P5M100 | SF**P5M150 | Tương đương với S45C | SPCC | Lớp phủ oxit đen |
| SN**P5M100 | SN**P5M150 | Mạ Niken | ||
Puli định thời P8M
| Kiểu | Vật liệu | Xử lý bề mặt | ||
| Chiều rộng đai: 15mm | Chiều rộng đai: 25mm | Ròng rọc | Mặt bích | |
| A: 16.8 W: 22 L: 39 (44) | A: 27.8 W: 33 L: 50 (55) | |||
| AW**P8M150 | AW**P8M250 | 6061 | 6061 | Anốt hóa tự nhiên |
| AH**P8M150 | AH**P8M250 | Anốt hóa cứng | ||
| AN**P8M150 | AN**P8M250 | Mạ Niken | ||
| SF**P8M150 | SF**P8M250 | Tương đương với S45C | SPCC | Lớp phủ oxit đen |
| SN**P8M150 | SN**P8M250 | Mạ Niken | ||
Puli định thời S2M

Puli định thời S3M

Puli định thời S5M

Puli định thời S8M

Puli định thời HTD3M

Puli định thời HTD5M

Puli định thời HTD8M

Puli định thời P2M

Puli định thời P3M

Puli định thời P5M

Puli định thời P8M

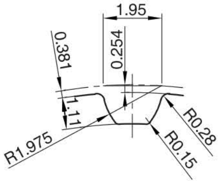
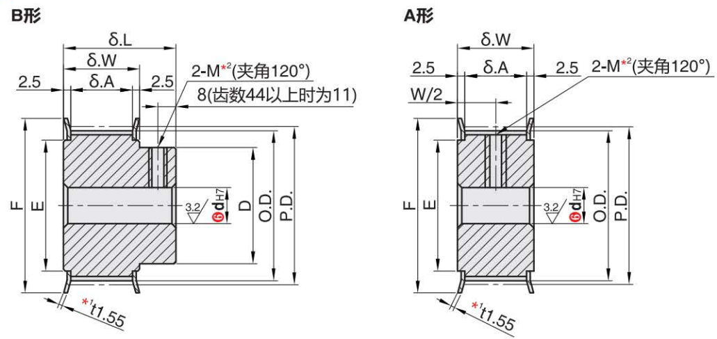
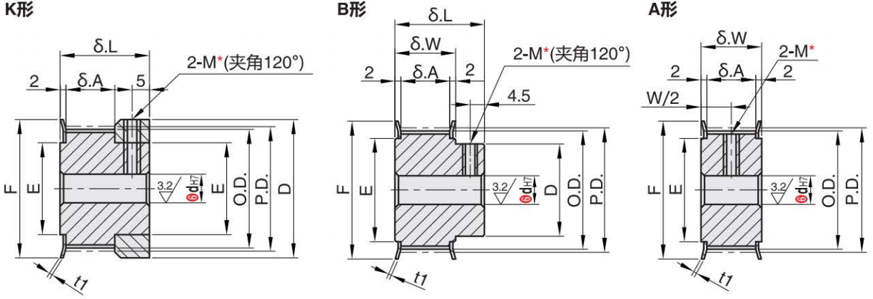
④ Hình dạng ròng rọc


Kích thước rãnh răng có thể thay đổi chút ít tùy thuộc vào số lượng răng. Bước răng (2mm)
Đối với các thông số kỹ thuật lỗ trục H (lỗ tròn), V, F (lỗ bậc thang) và Y (lỗ bậc thang ở cả hai đầu), không có lỗ ren.
Phần bên trong lỗ trục có thể không được xử lý bề mặt.
* Đối với ròng rọc loại A và lỗ trục có ký hiệu P hoặc N, hai lỗ ren nằm cách tâm rãnh răng khoảng 120° hoặc 90°.
④ Hình dạng ròng rọc


Kích thước rãnh răng có thể thay đổi chút ít tùy thuộc vào số lượng răng. Bước răng (3mm)
Đối với các thông số kỹ thuật lỗ trục H (lỗ tròn), V, F (lỗ bậc thang) và Y (lỗ bậc thang ở cả hai đầu), không có lỗ ren.
Phần bên trong lỗ trục có thể không được xử lý bề mặt.
* Đối với ròng rọc loại A và lỗ trục có góc P hoặc N, hai lỗ ren nằm cách tâm rãnh răng khoảng 120° hoặc 90°.
④ Hình dạng ròng rọc


Kích thước rãnh răng có thể thay đổi chút ít tùy thuộc vào số lượng răng. Bước răng (5mm)
Đối với các thông số kỹ thuật lỗ trục H (lỗ tròn), V, F (lỗ bậc thang) và Y (lỗ bậc thang ở cả hai đầu), không có lỗ ren.
Phần bên trong lỗ trục có thể không được xử lý bề mặt.
* Đối với ròng rọc loại A và lỗ trục có lỗ P hoặc N, hai lỗ ren nằm ở vị trí cách tâm rãnh răng khoảng 120° hoặc 90°.
④ Hình dạng ròng rọc


Kích thước rãnh răng có thể thay đổi chút ít tùy thuộc vào số lượng răng. Bước răng (8mm)
Đối với 72 răng, t = 2 (mặt bích tiện)
Đối với các thông số kỹ thuật lỗ trục H (lỗ tròn), V, F (lỗ bậc thang) và Y (lỗ bậc thang ở cả hai đầu), không có lỗ ren nào.
Phần bên trong lỗ trục có thể không được xử lý bề mặt.
* Đối với ròng rọc loại A và lỗ trục có góc P hoặc N, hai lỗ ren nằm cách tâm rãnh răng khoảng 120° hoặc 90°.
④Hình dạng ròng rọc


Kích thước rãnh răng có thể thay đổi chút ít tùy thuộc vào số lượng răng. Bước răng (3mm)
Đối với các thông số kỹ thuật lỗ trục H (lỗ tròn), V, F (lỗ bậc thang) và Y (lỗ bậc thang ở cả hai đầu), không có lỗ ren.
Phần bên trong lỗ trục có thể không được xử lý bề mặt.
* Đối với ròng rọc loại A và lỗ trục có góc P hoặc N, hai lỗ ren nằm cách tâm rãnh răng khoảng 120° hoặc 90°.
Puli định thời HTD5M
④ Hình dạng ròng rọc


Kích thước rãnh răng có thể thay đổi chút ít tùy thuộc vào số lượng răng. Bước răng (5mm)
Đối với các thông số kỹ thuật lỗ trục H (lỗ tròn), V, F (lỗ bậc thang) và Y (lỗ bậc thang ở cả hai đầu), không có lỗ ren.
Phần bên trong lỗ trục có thể không được xử lý bề mặt.
* Đối với ròng rọc loại A và lỗ trục có góc P hoặc N, hai lỗ ren nằm cách tâm rãnh răng khoảng 120° hoặc 90°.
④ Hình dạng ròng rọc


Kích thước rãnh răng có thể thay đổi chút ít tùy thuộc vào số lượng răng.
Bước răng (8mm)
Đối với các thông số kỹ thuật lỗ trục H (lỗ tròn), V, F (lỗ bậc thang) và Y (lỗ bậc thang ở cả hai đầu), không có lỗ ren.
Phần bên trong lỗ trục có thể không được xử lý bề mặt.
* Đối với ròng rọc loại A và lỗ trục có ký hiệu P hoặc N, hai lỗ ren nằm cách tâm rãnh răng khoảng 120° hoặc 90°.
④ Hình dạng ròng rọc

Kích thước rãnh răng có thể thay đổi một chút (2mm) tùy thuộc vào số lượng răng.
Đối với các thông số kỹ thuật lỗ trục H (lỗ tròn) và V (lỗ bậc thang), không có lỗ ren. Một số kích thước có thể có phần giảm tải của lỗ ren.
Phần bên trong lỗ trục có thể không được xử lý bề mặt.
* Đối với ròng rọc có lỗ trục kiểu A và lỗ P/N, hai lỗ ren nằm cách tâm rãnh răng khoảng 120° hoặc 90°.
④ Hình dạng ròng rọc


Kích thước rãnh răng có thể thay đổi một chút (3mm) tùy thuộc vào số lượng răng.
Đối với các thông số kỹ thuật lỗ trục H (lỗ tròn) và V (lỗ bậc thang), không có lỗ ren. Một số kích thước có thể có phần giảm tải của lỗ ren.
Phần bên trong lỗ trục có thể không được xử lý bề mặt.
* Đối với ròng rọc có lỗ trục kiểu A và lỗ P/N, hai lỗ ren nằm cách tâm rãnh răng khoảng 120° hoặc 90°.
④ Hình dạng ròng rọc


Các thông số kỹ thuật lỗ trục H (lỗ tròn), V, F (lỗ bậc thang) và Y (lỗ bậc thang ở cả hai đầu) không có lỗ ren. Một số kích thước có thể có lỗ ren được thiết kế để giảm tải.
Phần bên trong lỗ trục có thể không được xử lý bề mặt.
* Đối với ròng rọc loại A và lỗ trục có lỗ P hoặc N, hai lỗ ren nên được đặt cách tâm rãnh răng khoảng 120° hoặc 90°.
④ Hình dạng ròng rọc


Các thông số kỹ thuật lỗ trục H (lỗ tròn), V, F (lỗ bậc thang) và Y (lỗ bậc thang ở cả hai đầu) không có lỗ ren. Một số kích thước có thể bao gồm lỗ ren giảm áp.
Phần bên trong lỗ trục có thể không được xử lý bề mặt.
* Đối với ròng rọc loại A và lỗ trục có lỗ P hoặc N, hai lỗ ren nên được đặt cách tâm rãnh răng khoảng 120° hoặc 90°.