Gửi yêu cầu ngay
Tính năng sản phẩm:
Thiết kế quán tính thấp: Được chế tạo bằng vật liệu nhẹ (như hợp kim nhôm), giúp giảm mức tiêu thụ năng lượng và phù hợp cho hoạt động ở tốc độ thấp đến trung bình, thời gian dài.
Phù hợp với tải trọng nhẹ: Cấu trúc được tối ưu hóa giúp truyền lực căng hiệu quả trên băng tải nhẹ, ngăn ngừa mài mòn quá mức.
Giảm yêu cầu về công suất truyền động: Giảm tải động cơ và cải thiện hiệu suất năng lượng.
Hồ sơ răng hoàn toàn khớp với dây đai đồng bộ, đảm bảo hoạt động không trượt và tỷ số truyền ổn định.
Ngăn ngừa hiện tượng lệch băng tải và rung động, đảm bảo vận chuyển hàng hóa trơn tru.
Tiếng ồn vận hành thấp, phù hợp với môi trường sản xuất yên tĩnh (như xưởng chế biến thực phẩm và phòng lắp ráp điện tử).
Bước răng chính xác: Duy trì sự đồng bộ giữa tốc độ và vị trí của băng tải, giảm thiểu tình trạng sản phẩm bị lệch.
Độ chính xác chia lưới cao: Giảm độ mài mòn của dây đai và kéo dài tuổi thọ của dây đai và puli.
Phù hợp với các dây chuyền lắp ráp hoạt động liên tục trong thời gian dài.
Mang lại độ tin cậy tiết kiệm chi phí với thông số bước răng tiêu chuẩn 5mm và 10mm. Thiết kế răng tối ưu cho hiệu suất ăn khớp ổn định, được chế tạo đặc biệt cho truyền động tải nhẹ và điều kiện mô-men xoắn tiêu chuẩn.
Ròng rọc thời gian T5
| Kiểu | Vật liệu | Xử lý bề mặt | ||||
| Chiều rộng dây đai: 10mm | Chiều rộng dây đai: 15mm | Chiều rộng dây đai: 20mm | Chiều rộng dây đai: 25mm | Ròng rọc | Mặt bích | |
| A:11 W:16 L:28 | A:17 W:22 L:34 | A:22 W: 27 L: 39 | A:27 W:32 L:44 | |||
| AW**T5100 | AW**T5150 | AW**T5200 | AW**T5250 | 6061 | 6061 | Anodizing tự nhiên | 
| AB**T5100 | AB**T5150 | AB**T5200 | AB**T5250 | Anodizing đen | ||
| AH**T5100 | AH**T5150 | AH**T5200 | AH**T5250 | Anodizing cứng | ||
| AN**T5100 | AN**T5150 | AN**T5200 | AN**T5250 | Mạ niken | ||
| SF**T5100 | SF**T5150 | SF**T5200 | SF**T5250 | S45C | SPCC | Lớp phủ oxit đen | 
| SN**T5100 | SN**T5150 | SN**T5200 | SN**T5250 | Mạ niken | ||
Ròng rọc thời gian T10
| Kiểu | Vật liệu | Xử lý bề mặt | ||||||
| Chiều rộng dây đai: 15mm | Chiều rộng dây đai: 20mm | Chiều rộng dây đai: 25mm | Chiều rộng dây đai: 30mm | Chiều rộng dây đai: 40mm | Chiều rộng dây đai: 50mm | Ròng rọc | Mặt bích | |
| A:17 W:22 L:37 | A:22 W: 27 L: 42 | A:27 W:32 L:47(52) | A:32 W:37 L:52(57) | A:43 W:48 L:61(63) | A:53 W:58 L:70 | |||
| AW**T10150 | AW**T10200 | AW**T10250 | AW**T10300 | AW**T10400 | AW**T10500 | 6061 | 6061 | Anodizing tự nhiên | 
| AB**T10150 | AB**T10200 | AB**T10250 | AB**T10300 | AB**T10400 | AB**T10500 | Anodizing đen | ||
| AH**T10150 | AH**T10200 | AH**T10250 | AH**T10300 | AH**T10400 | AH**T10500 | Anodizing cứng | ||
| AN**T10150 | AN**T10200 | AN**T10250 | AN**T10300 | AN**T10400 | AN**T10500 | Mạ niken | ||
| SF**T10150 | SF**T10200 | SF**T10250 | SF**T10300 | SF**T10400 | SF**T10500 | S45C | SPCC | Màng bảo vệ oxit sắt từ | 
| SN**T10150 | SN**T10200 | SN**T10250 | SN**T10300 | SN**T10400 | SN**T10500 | Mạ niken | ||
Ròng rọc thời gian T5

Ròng rọc thời gian T10

④ Hồ sơ ròng rọc


Kích thước rãnh răng thay đổi đôi chút tùy thuộc vào số lượng răng. Bước răng (5mm)
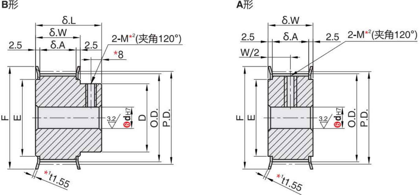
Đối với các thông số lỗ trục H (lỗ tròn), V, F (lỗ bậc thang) và Y (lỗ bậc thang ở cả hai đầu), không có lỗ ren.
Mặt trong của lỗ trục có thể không được xử lý bề mặt.
* Đối với puli loại A và lỗ trục có lỗ P hoặc N, hai lỗ ren nằm cách tâm rãnh răng khoảng 120° hoặc 90°.
④ Hồ sơ ròng rọc


Kích thước bước răng thay đổi đôi chút tùy thuộc vào số lượng răng. Bước răng (10mm)
Đối với răng 34, 50 và 60, t = 2 (mặt bích tiện).
Đối với các thông số lỗ trục H (lỗ tròn), V, F (lỗ bậc thang) và Y (lỗ bậc thang ở cả hai đầu), không có lỗ ren nào.
Mặt trong của lỗ trục có thể không được xử lý bề mặt.
Đối với puli T10250 và T10300 có 44 đến 60 răng, bước lỗ là 11; đối với puli T10400 và T10600, bước lỗ là (LW)/2.
Kích thước trong ngoặc đơn ở kích thước L đề cập đến ròng rọc có từ 44 đến 60 răng.
* Đối với puli có puli loại A và lỗ trục loại P hoặc N, hai lỗ ren nằm cách tâm khe răng khoảng 120° hoặc 90°.