Gửi yêu cầu ngay
Tính năng sản phẩm:
Cấu trúc răng gia công chính xác đảm bảo sự ăn khớp chặt chẽ giữa dây đai và puli, ngăn ngừa hiệu quả tình trạng trượt và mất cân bằng.
Tỷ số truyền chính xác làm cho nó phù hợp với các thiết bị vận chuyển nhẹ đòi hỏi độ chính xác định vị cao.
Bước răng và thông số kỹ thuật tuân thủ các tiêu chuẩn quốc tế (MXL, XL, L, H, v.v.), cho phép thay thế và hoán đổi dễ dàng.
Hiệu suất truyền tải vượt quá 98%, với mức tổn thất điện năng tối thiểu.
Hoạt động êm ái, độ rung và tiếng ồn thấp khiến sản phẩm này lý tưởng cho các môi trường nhạy cảm với tiếng ồn như văn phòng và chế biến thực phẩm.
Thiết kế ma sát thấp giúp giảm độ mài mòn của dây đai và puli, đồng thời kéo dài tuổi thọ.
Có nhiều loại giao diện lắp đặt khác nhau, bao gồm các lỗ tiêu chuẩn, rãnh then, vít cố định và ống nối giãn nở.
Thiết kế nhỏ gọn giúp dễ dàng tích hợp vào hệ thống băng tải, tiết kiệm không gian thiết bị.
Việc thay thế dễ dàng mà không cần tháo rời nhiều thiết bị.
Cung cấp các giải pháp truyền động đáng tin cậy trên nhiều bước răng (MXL 2.032mm, XL 5.08mm, L 9.525mm), được thiết kế cho truyền động mô-men xoắn vừa phải, vận chuyển tải trọng nhẹ và các ứng dụng tốc độ cao. Cấu hình MXL được thiết kế chính xác đáp ứng các yêu cầu truyền động tốc độ cao trong thiết bị nhỏ gọn; cấu hình XL linh hoạt phù hợp với nhiều tình huống vận tốc cao khác nhau; trong khi kết cấu dòng L mạnh mẽ kết hợp tính toàn vẹn cấu trúc được cải thiện với dung sai vận tốc tuyến tính vượt trội. Các puli này đại diện cho giải pháp tối ưu cho dây chuyền tự động hóa, máy móc nhỏ gọn và hệ thống xử lý vật liệu.
Ròng rọc thời gian MXL
| Kiểu | Vật liệu | Xử lý bề mặt | ||||
| Chiều rộng dây đai: 4,8mm (3/16 inch) | Chiều rộng dây đai: 6,4mm (1/4inch) | Chiều rộng dây đai: 9,5mm (3 /8 inch) | Chiều rộng dây đai: 12,7mm(1/2 inch) | Ròng rọc | Mặt bích | |
| A:6 W:10 L:16.5 | A:7.5 W:11.5 L:18 | A:11 W: 15 L: 22 | A:14 W:1 9 L:25 | |||
| AW**MXL019 | AW**MXL025 | AW**MXL037 | AW**MXL050 | 6061 | 6061 | Anodizing tự nhiên |
| AB**MXL019 | AB**MXL025 | AB**MXL037 | AB**MXL050 | Anodizing đen | ||
| AH**MXL019 | AH**MXL025 | AH**MXL037 | AH**MXL050 | Anodizing cứng | ||
| AN**MXL019 | AN**MXL025 | AN**MXL037 | AN**MXL050 | Mạ niken | ||
| - | SF**MXL025 | SF**MXL037 | - | S45C | S45C | Lớp phủ oxit đen |
| - | SN**MXL025 | SN**MXL037 | - | Mạ niken | ||
| - | SU**MXL025 | SU**MXL037 | - | SUS303 | - | |
Ròng rọc thời gian XL
| Kiểu | Vật liệu | Xử lý bề mặt | ||||
| Chiều rộng dây đai: 6,4mm (1/4 inch) | Chiều rộng dây đai: 7,9mm (5/16inch) | Chiều rộng dây đai: 9,5mm (3 /8 inch) | Chiều rộng dây đai: 12,7mm(1/2 inch) | Ròng rọc | Mặt bích | |
| A:7,5 Rộng:12,5 Dài:21 | A:9 W:14 L:23 | A:11 W:16 L:25 | A:14 W:19 L:28 | |||
| AW**XL025 | AW**XL031 | AW**XL037 | AW**XL050 | 6061 | 6061 | Anodizing tự nhiên |
| AB**XL025 | AB**XL031 | AB**XL037 | AB**XL050 | Anodizing đen | ||
| AH**XL025 | AH**XL031 | AH**XL037 | AH**XL050 | Anodizing cứng | ||
| AN**XL025 | AN**XL031 | AN**XL037 | AN**XL050 | Mạ niken | ||
| SF**XL025 | - | SF**XL037 | SF**XL050 | S45C | SPCC | Lớp phủ oxit đen |
| SN**XL025 | - | SN**XL037 | SN**XL050 | Mạ niken | ||
| SU**XL025 | - | SU**XL037 | SU**XL050 | SUS303 | - | |
Ròng rọc thời gian L
| Kiểu | Vật liệu | Xử lý bề mặt | ||||
| Chiều rộng dây đai: 12,7mm (1/2 inch) | Chiều rộng dây đai: 19,1mm (3/4inch) | Chiều rộng dây đai: 25,4mm (1 inch) | Chiều rộng dây đai: 38,1mm (1,5 inch) | Ròng rọc | Mặt bích | |
| A:14 W:19 L:31(39) | A:21 W:26 L:38(46) | A:27 W:32 L:44(53) | A:40 W:45 L:57 | |||
| AW**L050 | AW**L075 | AW**L100 | AW**L150 | 6061 | 6061 | Anodizing tự nhiên |
| AB**L050 | AB**L075 | AB**L100 | AB**L150 | Anodizing đen | ||
| AH**L050 | AH**L075 | AH**L100 | AH**L150 | Anodizing cứng | ||
| AN**L050 | AN**L075 | AN**L100 | AN**L150 | Mạ niken | ||
| SF**L050 | SF**L075 | SF**L100 | SF**L150 | S45C | SPCC | Lớp phủ oxit đen |
| SN**L050 | SN**L075 | SN**L100 | SN**L150 | Mạ niken | ||
Ròng rọc thời gian H
| Kiểu | Vật liệu | Xử lý bề mặt | ||||
| Chiều rộng dây đai: 19,1mm (3/4 inch) | Chiều rộng dây đai: 25,4mm (1 inch) | Chiều rộng dây đai: 38,1mm (1,5 inch) | Chiều rộng dây đai: 50,8mm (2 inch) | Ròng rọc | Mặt bích | |
| A:21 W:26 L:41 | A:27 W:32 L:47 | A:40 W:45 L:60 | A:54 W:59 L:74 | |||
| AW**H075 | AW**H100 | AW**H150 | AW**H200 | 6061 | 6061 | Anodizing tự nhiên |
| AB**H075 | AB**H100 | AB**H150 | AB**H200 | Anodizing đen | ||
| AH**H075 | AH**H100 | AH**H150 | AH**H200 | Anodizing cứng | ||
| AN**H075 | AN**H100 | AN**H150 | AN**H200 | Mạ niken | ||
| SF**H075 | SF**H100 | SF**H150 | SF**H200 | S45C | SPCC | Lớp phủ oxit đen |
| SN**H075 | SN**H100 | SN**H150 | SN**H200 | Mạ niken | ||
Ròng rọc thời gian MXL

Ròng rọc thời gian XL

Ròng rọc thời gian L

Ròng rọc thời gian H

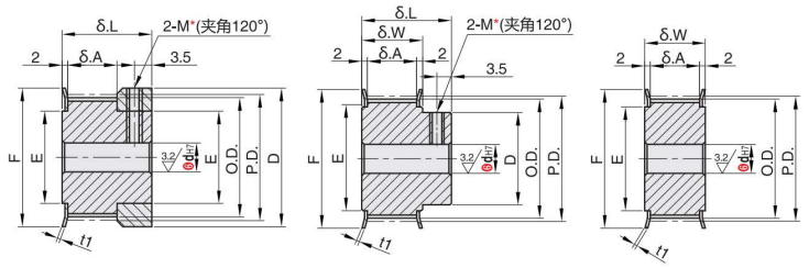
Hồ sơ răng ① Hồ sơ ròng rọc
Loại K Loại B Loại A

Số sau △: Số răng: 23 hoặc ít hơn
Kích thước rãnh có thể thay đổi đôi chút tùy thuộc vào số lượng răng. Bước răng (2,032mm)
Đối với các thông số lỗ trục H (lỗ tròn), V, F (lỗ bậc thang) và Y (lỗ bậc thang ở cả hai đầu), không có lỗ ren.
Mặt trong của lỗ trục có thể không được xử lý bề mặt.
* Đối với puli loại A và lỗ trục có ký hiệu P hoặc N, hai lỗ ren nằm cách tâm rãnh răng khoảng 120° hoặc 90°.
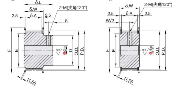
Hồ sơ răng ① Hồ sơ ròng rọc
Loại B Loại A

Kích thước rãnh răng thay đổi đôi chút tùy thuộc vào số lượng răng. Bước răng (5,08mm)
Đối với các thông số lỗ trục H (lỗ tròn), V, F (lỗ bậc thang) và Y (lỗ bậc thang ở cả hai đầu), không có lỗ ren.
Mặt trong của lỗ trục có thể không được xử lý bề mặt.
Kích thước H: L50 = 5; L075 = 8; L100 = 11
* Đối với puli loại A và lỗ trục có ký hiệu P hoặc N, hai lỗ ren nằm cách tâm rãnh răng khoảng 120° hoặc 90°.
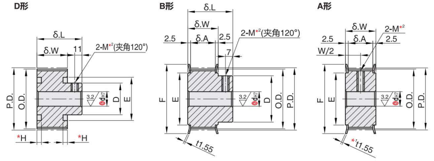
Hồ sơ răng ① Hồ sơ ròng rọc
Kích thước rãnh răng thay đổi đôi chút tùy thuộc vào số lượng răng. Bước răng (9,525mm)
Đối với 60 hoặc 72 răng, t = 2 (cắt xương sườn).
Đối với các thông số lỗ trục H (lỗ tròn), V, F (lỗ bậc thang) và Y (lỗ bậc thang ở cả hai đầu), không có lỗ ren nào.
Mặt trong của lỗ trục có thể không được xử lý bề mặt.
Kích thước H: L50 = 5; L075-8; L100 = 11
Kích thước L (trong ngoặc đơn) dành cho 60 đến 72 răng.
* Đối với puli có cấu hình loại A và lỗ trục loại P hoặc N, hai lỗ ren nằm cách tâm rãnh răng khoảng 120° hoặc 90°.
Hồ sơ răng ① Hồ sơ ròng rọc

Số sau △: Số răng: 19 hoặc ít hơn.
Kích thước rãnh có thể thay đổi đôi chút tùy thuộc vào số lượng răng. Bước răng (12,7mm).
Đối với răng 38-50, t = 2 (cắt xương sườn).
Đối với các thông số lỗ trục H (lỗ tròn), V, F (lỗ bậc thang) và Y (lỗ bậc thang ở cả hai đầu), không có lỗ ren nào.
Mặt trong của lỗ trục có thể không được xử lý bề mặt.
Kích thước H: H100 = 11; H150 = 14
* Đối với puli loại A và lỗ trục P hoặc N, hai lỗ ren nằm cách tâm rãnh khoảng 120° hoặc 90°.